值得收藏的折弯展开法最全总结
亿莱建材 2019-05-27 12:13:20
展开计算原理
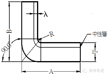
板料在弯曲过程中外层受到拉应力,内层受到压应力,从拉到压之间有一既不受拉力又不受压力的过渡层--中性层,中性层在弯曲过程中的长度和弯曲前一样,保持不变,所以中性层是计算弯曲件展开长度的基准.中性层位置与变形程度有关,当弯曲半径较大,折弯角度较小时,变形程度较小,中性层位置靠近板料厚度的中心处,当弯曲半径变小,折弯角度增大时,变形程度随之增大,中性层位置逐渐向弯曲中心的内侧移动.中性层到板料内侧的距离用λ表示。
计算方法
展开的基本公式: 展开长度=料内+料内+补偿量
4.1 R=0,折弯角θ=90°(T<1.2,不含1.2mm) L=(A-T)+(B-T)+K =A+B-2T+0.4T 上式中取:λ=T/4 K=λ*π/2 =T/4*π/2 =0.4T |
| |
4.2 R=0, θ=90° (T≧1.2,含1.2mm) L=(A-T)+(B-T)+K =A+B-2T+0.5T 上式中取:λ=T/3 K=λ*π/2 =T/3*π/2 =0.5T |
| |
4.3 R≠0 θ=90° L=(A-T-R)+(B-T-R)+(R+λ)*π/2 当R ≧5T时 λ=T/2 1T≦ R <5T λ=T/3 0 < R <T λ=T/4 (实际展开时除使用尺寸计算方法外,也可在确定中性层位置后,通过偏移再实际测量长度的方法.以下相同) |
| |
4.4 R=0 θ≠90° λ=T/3 L=[A-T*tan(a/2)]+[B -T*tan(a/2)]+T/3*a (a单位为rad,以下相同) |
| |
4.5 R≠0 θ≠90° L=[A-(T+R)* tan(a/2)]+[B -(T+R)*tan(a/2)]+(R+λ)*a 当R ≧5T时 λ=T/2 1T≦ R <5T λ=T/3 0 < R <Tλ=T/4 |
| |
4.6 Z折1. 计算方法请示上级,以下几点原则仅供参考: (1)当C≧5时,一般分两次成型,按两个90°折弯计算.(要考虑到折弯冲子的强度) L=A-T+C+B+2K (2)当3T<C<5时<一次成型>: L=A-T+C+B+K (3)当C≦3T时<一次成型>: L=A-T+C+B+K/2 |
| |
4.7 Z折2. C≦3T时<一次成型>: L=A-T+C+B+D+K |
| |
4.8 抽芽 抽芽孔尺寸计算原理为体积不变原理,即抽孔前后材料体积不变;ABCD四边形面积=GFEA所围成的面积. 一般抽孔高度不深取H=3P(P为螺纹距离),R=EF见图 ∵ T*AB=(H -EF)*EF+π*(EF)2/4 ∴ AB={H*EF+(π/4-1)*EF2}/T ∴预冲孔孔径=D – 2AB T≧0.8时,取EF=60%T. 在料厚T<0.8时,EF的取值请示上级. |
| |
4.9 方形抽孔 方形抽孔,当抽孔高度较高时(H>Hmax),直边部展开与弯曲一致, 圆角处展开按保留抽高为H=Hmax的大小套弯曲公式展开,连接处用45度线及圆角均匀过渡, 当抽孔高度不高时(H≦Hmax)直边部展开与弯曲一致,圆角处展开保留与直边一样的偏移值. 以下Hmax取值原则供参考. 当R≧4MM时: 材料厚度T=1.2~1.4取Hmax =4T 材料厚度T=0.8~1.0取Hmax =5T 材料厚度T=0.7~0.8取Hmax =6T 材料厚度T≦0.6取Hmax =8T 当R<4MM时,请示上级. |
| |
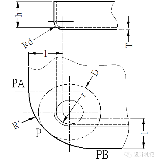
4.10压缩抽形1 (Rd≦1.5T) 原则:直边部分按弯曲展开,圆角部分按拉伸展开,然后用三点切圆(PA-P-PB)的方式作一段与两直边和直径为D的圆相切的圆弧. 当Rd≦1.5T时,求D值计算公式如下: D/2=[(r+T/3)2+2(r+T/3)*(h +T/3)]1/2 |
| |
4.11压缩抽形2 (Rd>1.5T) 原则:直边部分按弯曲展开,圆角部分按拉伸展开,然后用三点切圆(PA-P-PB)的方式作一段与两直边和直径为D的圆相切的圆弧. 当Rd>1.5T时: l按相应折弯公式计算. D/2={(r+T/3)2 +2(r+T/3)*(h+T/3) -0.86*(Rd-2T/3)*[(r+T/3) +0.16*(Rd-2T/3)]}1/2 |
| |
4.12卷圆压平 图(a): 展开长度 L=A+B-0.4T 图(b): 压线位置尺寸 A-0.2T 图(c): 90°折弯处尺寸为A+0.2T 图(d): 卷圆压平后的产品形状 |
| |
4.13侧冲压平 图(a): 展开长度 L=A+B-0.4T 图(b): 压线位置尺寸 A-0.2T 图(c): 90°折弯处尺寸为A+1.0T 图(d): 侧冲压平后的产品形状 |
| |
4.14 综合计算如图: L=料内+料内+补偿量 =A+B+C+D +中性层弧长(AA+BB+CC) (中性层弧长均按 “中性层到板料内侧距离λ=T/3”来计算) |
| |
备注:
a标注公差的尺寸设计值:取上下极限尺寸的中间值作为设计标准值.
b孔径设计值:一般圆孔直径小数点取一位(以配合冲头加工方便性),例:3.81取3.9.有特殊公差时除外,例:Φ3.80+0.050取Φ3.84.
c 产品图中未作特别标注的圆角,一般按R=0展开.


















